Air duct heater for flue gas heating
Product Detail
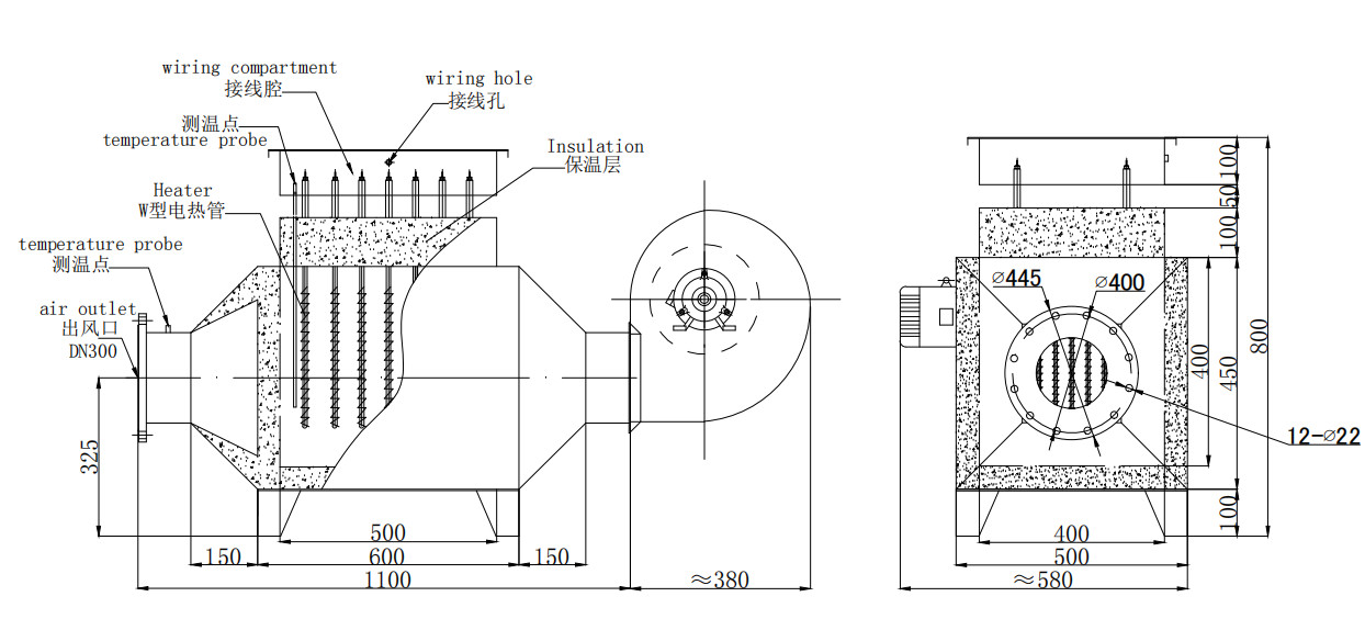
Air Duct Heater is mainly used for heating the air in the air duct. The common thing in the structure is that the steel plate is used to support the electric heating tube to reduce the vibration of the electric heating tube, and it is installed in the junction box. There is an over-temperature control device. In addition to the over-temperature protection in terms of control, an intermodal device is also installed between the fan and the heater to ensure that the electric heater must be started after the fan is started, and a differential pressure device must be added before and after the heater to prevent the fan failure, the gas pressure heated by the channel heater should generally not exceed 0.3Kg/cm2. If you need to exceed the above pressure, please use a circulating electric heater.
Product Structure
Main Features
1. The electric heating tube uses an externally wound corrugated stainless steel belt, which increases the heat dissipation area and greatly improves the heat exchange efficiency.
2. The heater has reasonable design, small wind resistance, uniform heating, and no high or low temperature dead spots.
3. Double protection, good safety performance. A thermostat and fuse are installed on the heater, which can be used to control the air temperature in the air duct and work under ultra-warm and windless conditions to ensure foolproof operation.
Application
Air duct heaters are widely used in drying rooms, spray booth, plant heating, cotton drying, air-conditioning auxiliary heating, environmentally friendly waste gas treatment, greenhouse vegetable growing and other fields.
Our Company
Yancheng Xinrong Electronic Industries Co., Ltd. is a comprehensive high-tech enterprise focusing on design, production and sales for electric heating equipments and heating elements, which is located on Yancheng City, Jiangsu Province, China. For a long time, the company is specialized on supplying the superior technical solution, our products have been export to many countries, we have clients in more than 30 countries all over the world.
The company has always attached great importance to the early research and development of products and quality control during the production process. We has a group of R&D, production and quality control teams with rich experience in electrothermal machinery manufacturing.
We warmly welcome domestic and foreign manufacturers and friends to come to visit, guide and have business negotiation!



