Thermal oil heater for hot press
Working principle
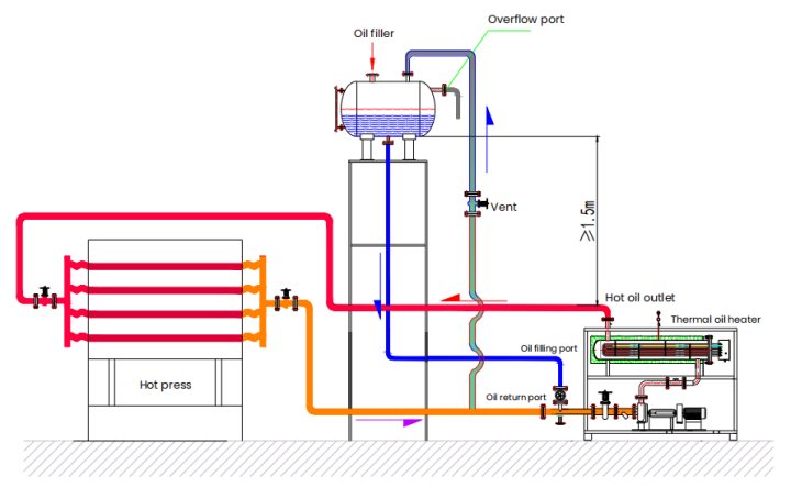
For Thermal oil heater for hot press, heat is generated and transmitted by electric heating element immersed in thermal oil. With thermal oil as medium, circulation pump is used to force thermal oil to carry out liquid phase circulation and transfer heat to one or more thermal equipment. After unloading by the thermal equipment, Re-through the circulation pump, back to the heater, and then absorb heat, transfer to the heat equipment, so repeat, to achieve continuous transfer of heat, so that the temperature of the heated object rises, to meet the heating process requirements
Product details display
Product advantage
1, with complete operation control, and safe monitoring device, can implement automatic control.
2, can be under lower operating pressure, obtain a higher working temperature.
3, the high thermal efficiency can reach more than 95%, the accuracy of temperature control can reach ±1℃.
4, the equipment is small in size, the installation is more flexible and should be installed near the equipment with heat.
Working condition application overview
Thermal oil reactor is a commonly used chemical equipment, mainly used for various chemical reactions under high temperature conditions, its working principle is as follows:
1. Circulation of heat conduction oil: heat conduction oil is heated and flows through the circulation pump to form a closed heat conduction cycle. The heat transfer oil enters the heater in the reactor through the circulation pipe, receives heat, and then returns to the heating device.
2. Heating device: The heat transfer oil reactor is usually connected with a heater, whose role is to heat the heat transfer oil to the required temperature, and the heating device usually uses electric heating heat transfer oil furnace.
3. Reaction process: Chemical substances are added to the reactor at preheating temperature for chemical reaction. Due to the good thermal conductivity of heat conduction oil, it can provide a stable high temperature environment, thus promoting the reaction.
4. Temperature control: electric heating heat transfer oil furnace is usually equipped with heat transfer oil temperature control system, which can monitor and adjust the temperature in the reactor in real time. By adjusting the heating power of the heating device and the circulating speed of the heat conduction oil, the reaction temperature can be controlled within the set range.
5. Cooling device: Some reactions need to be controlled within a certain temperature range, so electric heating oil furnaces are usually equipped with cooling devices. The cooling unit can adjust the temperature in the cooling reactor by circulating the heat conducting oil and water to ensure that the reaction can be carried out at a suitable temperature.
Product application
As a new type of special industrial boiler, which is safe, efficient and energy saving, low pressure and can provide high temperature heat energy, high temperature oil heater is being applied rapidly and widely. It is a high efficiency and energy saving heating equipment in chemical, petroleum, machinery, printing and dyeing, food, shipbuilding, textile, film and other industries.
Customer use case
Fine workmanship, quality assurance
We are honest, professional and persistent, to bring you excellent products and quality service.
Please feel free to choose us, let us witness the power of quality together.
Certificate and qualification
Product packaging and transportation
Equipment packaging
1) Packing in imported wooden cases
2) The tray can be customized according to customer needs
Transport of goods
1) Express (sample order) or sea (bulk order)
2) Global shipping services





